Описание блока бетонного Б 2-20-40
Блок бетонный (Б 2-20-40) применяется для устройства фундаментов, стен подвалов, цокольных этажей и других конструкций зданий и сооружений. Изделие изготавливается компанией ГК "БЛОК", которая специализируется на производстве и поставке железобетонных изделий в Москве, из высокопрочного бетона, что обеспечивает его прочность, устойчивость к нагрузкам и долговечность.
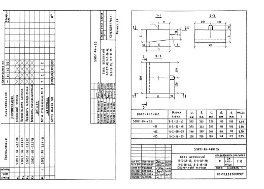
Нормативный документ: Серия 3.503.1-66.
Применение блока бетонного Б 2-20-40
Блок бетонный Б 2-20-40 используется для создания надёжных конструкций фундаментов, стен подвалов и цокольных этажей в жилых, общественных и промышленных зданиях. Он служит важной частью системы, обеспечивающей безопасность, долговечность и функциональность объектов. Для монтажа могут применяться дополнительные элементы: раствор, закладные детали и другие комплектующие.
Типы бетонных блоков
Железобетонные блоки подразделяются на несколько типов в зависимости от назначения и конструкции:
- Б: блок бетонный;
- ФБС: блок фундаментный сплошной;
- ФБП: блок фундаментный пустотный;
- БУ: блок усиленный.
Размеры зависят от типа: длина 500–600 мм, ширина 400–500 мм, высота 200–300 мм.
Основные параметры, размеры и характеристики
- Длина L, мм: 500
- Ширина b, мм: 400
- Высота h, мм: 200
- Масса, тонн: 0.08
- Объем бетона, м³: 0.034
Дополнительные характеристики
- Марка по морозостойкости: F100–F150;
- Марка по водонепроницаемости: W4–W6;
- Технология изготовления: формование с использованием высокопрочного бетона.
Нормы загрузки
- Норма загрузки в автотранспорт 20 т, шт: 250
Расшифровка маркировки Б 2-20-40
Маркировка "Б 2-20-40" содержит следующую информацию:
- Б – блок бетонный;
- 2 – порядковый номер изделия в серии;
- 20 – условная высота изделия в сантиметрах (200 мм);
- 40 – условная ширина изделия в сантиметрах (400 мм).
Условия транспортировки и хранения
Блоки бетонные Б 2-20-40 перевозятся автомобильным или железнодорожным транспортом с использованием специальных захватных устройств (строп). Хранение осуществляется на ровных площадках с твердым покрытием. Блоки устанавливаются горизонтально в штабель высотой не более 2,5 м. Для предотвращения повреждений между изделиями устанавливаются деревянные прокладки.
Контроль качества блока бетонного Б 2-20-40
Каждый блок бетонный Б 2-20-40 проходит многоступенчатый контроль качества. Проверяются:
- прочность бетона (не ниже нормативного значения);
- соответствие геометрических размеров проектным данным;
- морозостойкость и водонепроницаемость бетона;
- точность расположения закладных элементов;
- отсутствие трещин, сколов и других дефектов.
Заключение
Блок бетонный Б 2-20-40 – это надежный и долговечный элемент для устройства фундаментов, стен подвалов и цокольных этажей. Благодаря использованию качественных материалов и современных технологий производства, он обеспечивает прочность, устойчивость и долговечность конструкций. Для заказа качественных железобетонных изделий обращайтесь к профессионалам своего дела – компании ГК "БЛОК".
Смотрите также:
| Варианты написания товара |
|---|
| Блок бетонный Б 2-20-40 |
| Б 2-20-40 блок бетонный |
| Блок бетонный Б 2-20-40 Серия 3.503.1-66 |
| Б 2-20-40 Серия 3.503.1-66 |
| Б 2-20-40 |
| Блок бетонный Б 2-20-40 ГОСТ |
| Б 2-20-40 ГОСТ |
Как купить
Процесс покупки железобетонных изделий у нас прост и удобен. Следуйте этим шагам:
- Выбор продукции: Ознакомьтесь с нашим ассортиментом и выберите необходимые железобетонные изделия.
- Консультация: Свяжитесь с нашим менеджером для получения консультации по выбору продукции и уточнения всех деталей. Вы можете позвонить нам или написать на электронную почту.
- Оформление заказа: После согласования всех деталей оформите заказ. Менеджер поможет вам заполнить все необходимые документы.
- Согласование доставки: После оформления заказа наш менеджер свяжется с вами для согласования условий и сроков доставки.
- Оплата: Выберите удобный способ оплаты. Мы предлагаем несколько вариантов, включая безналичный расчет.
- Получение товара: После выполнения всех условий заказа, вы получите железобетонные изделия в назначенное время и по согласованному адресу. При получении подпишите акт приема-передачи.
Если у вас возникли вопросы на любом этапе покупки, не стесняйтесь обращаться к нашим менеджерам!
Оплата
Мы принимаем только безналичные платежи и работаем исключительно с юридическими лицами. Пожалуйста, ознакомьтесь с условиями оплаты ниже:
- Способ оплаты: Все расчеты производятся безналичным путем. Мы не принимаем наличные.
- Счет на оплату: После оформления заказа вам будет выставлен счет, который необходимо оплатить в срок, указанный в документе.
- Реквизиты: Все необходимые банковские реквизиты будут предоставлены в счете. Убедитесь, что все данные указаны правильно для успешного перевода.
- Подтверждение оплаты: После осуществления платежа отправьте нам подтверждение, чтобы мы могли оперативно обработать ваш заказ.
- Получение документов: После полной оплаты вы получите все необходимые документы, включая акт выполненных работ, товарные накладные и сертификаты на продукцию.
Мы работаем с НДС и предоставляем все необходимые сертификаты и документы. Все гарантии будут прописаны в договоре, что обеспечивает прозрачность и надежность сотрудничества.
Если у вас есть вопросы по поводу процесса оплаты, не стесняйтесь обращаться к нашим менеджерам за помощью!
Наша оперативность — ваше удобство. Мы гарантируем своевременную доставку железобетонных изделий, что является ключевым фактором для успешной реализации ваших строительных проектов. Доставка осуществляется прямо к вашему объекту с учетом всех стандартов качества.
Основные условия доставки:
• Выбор тарифа: Вы можете выбрать способ расчета стоимости доставки — почасовой или по зонам.
• Согласование: Менеджер свяжется с вами для уточнения деталей после оформления заказа.
• Время на погрузку: Комплектация товара занимает от 1 до 3 дней в зависимости от объема.
• Акт приема-передачи: Продукция передается по акту приема-передачи.
Тарифы на доставку:
Цены варьируются в зависимости от расстояния и региона. Все тарифы включают НДС. При неблагоприятных погодных условиях возможны небольшие изменения в стоимости.
География доставки:
Мы работаем по всей территории РФ и имеем 12 офисов и производств, чтобы обеспечить удобные условия для доставки.
Для точного расчета стоимости доставки обращайтесь к нашим менеджерам!

