Размер шрифта
Цвет фона и шрифта
Изображения
Озвучивание текста
Обычная версия сайта
Завод железобетонных изделий
ГК "БЛОК" - Производство и поставка железобетонных изделий в Иркутске!

+7 (3952) 79-94-18
+7 (3952) 79-94-18
Заказать звонок
E-mail
irkutsk@block-gbi.ru
Адрес
Ленинский округ, ул. Нефтебаза, 13а
Режим работы
Будни - с 9 до 18 Сб, ВС - выходные
Подать заявку
Главная
Каталог
  • ЖБИ для дорожного строительства
    • Блоки укреплений
    • Водопропускные трубы
    • Камни бортовые
    • Колодцы железобетонные
    • Лотки железобетонные
    • Плиты дорожные
  • ЖБИ для железнодорожного строительства
    • Лотки дренажные
    • Фундаменты трехлучевые
    • Шпалы железобетонные
  • ЖБИ для жилищного строительства
    • Вентиляционные блоки
    • Заборы железобетонные
    • Лестницы железобетонные
    • Перемычки
    • Плиты перекрытий
    • Шахты лифтов
  • ЖБИ для инженерного строительства
    • Камеры тепловые
    • Камеры футерованные
    • Каналы непроходные
    • Каналы сборные
    • Колодцы кабельные
    • Колодцы футерованные
    • Лотки лк
    • Трубы железобетонные
    • Щитовые опоры
  • ЖБИ для мостов, тоннелей и путепроводов
    • Балки мостовые
    • Коллекторы железобетонные
    • Контурные блоки
    • Пустотные плиты
    • Своды железобетонные
    • Тоннели сборные
    • Фермы железобетонные
  • ЖБИ для нефтегазового строительства
    • Сваи железобетонные
    • Столбики сигнальные
    • Утяжелители
  • ЖБИ для промышленного строительства
    • Бомбоубежища
    • Диафрагмы жесткости
    • Прогоны железобетонные
    • Ригели железобетонные
    • Столбы шпалерные (садовые)
    • Фундаментные блоки
  • ЖБИ для энергетического строительства
    • Анкерные плиты
    • Опоры лэп
    • Подстанции
    • Приставки железобетонные
    • Ригели опор
    • Фундаменты опор
  • Нетиповые ЖБИ
    • Волнорезы
    • Плиты тротуарные
Доставка
Оплата
Компания
  • О компании
  • История
  • ГОСТы
  • Сертификаты
  • Заказчики
  • Сотрудники
  • Вакансии
  • Реквизиты
  • Доставка В ЛНР и ДНР
  • Цены на ЖБИ
Объекты
Контакты
Иркутск
Завод железобетонных изделий
ГК "БЛОК" - Производство и поставка железобетонных изделий в Иркутске!

Иркутск
+7 (3952) 79-94-18
+7 (3952) 79-94-18
Заказать звонок
E-mail
irkutsk@block-gbi.ru
Адрес
Ленинский округ, ул. Нефтебаза, 13а
Режим работы
Будни - с 9 до 18 Сб, ВС - выходные
Заказать звонок
Подать заявку
Главная
Каталог
  • ЖБИ для дорожного строительства
    ЖБИ для дорожного строительства
    • Блоки укреплений      
      • Серии блоков
      • Типы блоков
    • Водопропускные трубы      
      • Серия изготовления
      • Тип звеньев
    • Камни бортовые      
      • Типы бортовых камней
    • Колодцы железобетонные      
      • Диаметры
      • Элементы
    • Лотки железобетонные      
      • ГОСТы и Серии
      • Типы лотков ЖБИ
    • Плиты дорожные      
      • ГОСТы и Серии дорожных плит
      • Типы дорожных плит
  • ЖБИ для железнодорожного строительства
    ЖБИ для железнодорожного строительства
    • Лотки дренажные      
      • Типы дренажных лотков
    • Фундаменты трехлучевые      
      • Серии фундаментов
      • Типы фундаментов
    • Шпалы железобетонные
  • ЖБИ для жилищного строительства
    ЖБИ для жилищного строительства
    • Вентиляционные блоки      
      • ГОСТы вентиляционных блоков
      • Типы вентблоков
    • Заборы железобетонные      
      • Вид забора ЖБИ
      • ГОСТы и Серии ЖБ заборов
    • Лестницы железобетонные      
      • ГОСТы и Серии ЖБ лестниц
      • Элементы лестниц
    • Перемычки
    • Плиты перекрытий      
      • ГОСТы и Серии плит перекрытий
      • Типы плит перекрытий
    • Шахты лифтов      
      • ГОСТы и Серии лифтовых шахт
      • Типы лифтовых шахт
  • ЖБИ для инженерного строительства
    ЖБИ для инженерного строительства
    • Камеры тепловые      
      • Серии тепловых камер
      • Тип элемента камер
    • Камеры футерованные      
      • Типы футерованных камер
    • Каналы непроходные
    • Каналы сборные      
      • Серии
      • Типы
    • Колодцы кабельные      
      • Типы колодцев ККС
    • Колодцы футерованные      
      • Типы футерованных колодцев
    • Лотки лк      
      • Типоразмеры лотков
    • Трубы железобетонные      
      • ГОСТы и Серии ЖБ труб
      • Типы
    • Щитовые опоры      
      • Серии
  • ЖБИ для мостов, тоннелей и путепроводов
    ЖБИ для мостов, тоннелей и путепроводов
    • Балки мостовые      
      • Серии мостовых балок
      • Элементы балок
    • Коллекторы железобетонные      
      • Серии ЖБ коллекторов
      • Типы ЖБ коллекторов
    • Контурные блоки
    • Пустотные плиты      
      • Серии пустотных плит
    • Своды железобетонные      
      • Серии железобетонных сводов
      • Типы конструкций
    • Тоннели сборные      
      • Серии сборных тоннелей
      • Типы сборных тоннелей
    • Фермы железобетонные      
      • Типоразмеры ферм
      • Типы железобетонных ферм
  • ЖБИ для нефтегазового строительства
    ЖБИ для нефтегазового строительства
    • Сваи железобетонные      
      • ГОСТы и Серии
      • Типы
    • Столбики сигнальные
    • Утяжелители      
      • Типы утяжелителей
  • ЖБИ для промышленного строительства
    ЖБИ для промышленного строительства
    • Бомбоубежища      
      • ГОСТы бомбоубежищ
      • Типы бомбоубежищ
    • Диафрагмы жесткости      
      • Серии диафрагм жесткости
      • Типы диафрагм
    • Прогоны железобетонные      
      • Серии ЖБ прогонов
      • Типы ЖБ прогонов
    • Ригели железобетонные      
      • ГОСТы и Серии для ЖБ ригелей
      • Типы железобетонных ригелей
    • Столбы шпалерные (садовые)
    • Фундаментные блоки      
      • ГОСТы и Серии фундаментных блоков
      • Типы фундаментных блоков
  • ЖБИ для энергетического строительства
    ЖБИ для энергетического строительства
    • Анкерные плиты
    • Опоры лэп      
      • Серии опор ЛЭП
      • Типы опор ЛЭП
    • Подстанции      
      • Серии подстанций
      • Элементы подстанций
    • Приставки железобетонные      
      • ГОСТы и Серии ЖБ приставок
    • Ригели опор
    • Фундаменты опор      
      • Серии фундаментов опор
  • Нетиповые ЖБИ
    Нетиповые ЖБИ
    • Волнорезы      
      • Типы волнорезов
    • Плиты тротуарные      
      • ГОСТы и Серии
Доставка
Оплата
Компания
  • О компании
  • История
  • ГОСТы
  • Сертификаты
  • Заказчики
  • Сотрудники
  • Вакансии
  • Реквизиты
  • Доставка В ЛНР и ДНР
  • Цены на ЖБИ
Объекты
Контакты
    Завод железобетонных изделий
    Главная
    Каталог
    • ЖБИ для дорожного строительства
      ЖБИ для дорожного строительства
      • Блоки укреплений      
        • Серии блоков
        • Типы блоков
      • Водопропускные трубы      
        • Серия изготовления
        • Тип звеньев
      • Камни бортовые      
        • Типы бортовых камней
      • Колодцы железобетонные      
        • Диаметры
        • Элементы
      • Лотки железобетонные      
        • ГОСТы и Серии
        • Типы лотков ЖБИ
      • Плиты дорожные      
        • ГОСТы и Серии дорожных плит
        • Типы дорожных плит
    • ЖБИ для железнодорожного строительства
      ЖБИ для железнодорожного строительства
      • Лотки дренажные      
        • Типы дренажных лотков
      • Фундаменты трехлучевые      
        • Серии фундаментов
        • Типы фундаментов
      • Шпалы железобетонные
    • ЖБИ для жилищного строительства
      ЖБИ для жилищного строительства
      • Вентиляционные блоки      
        • ГОСТы вентиляционных блоков
        • Типы вентблоков
      • Заборы железобетонные      
        • Вид забора ЖБИ
        • ГОСТы и Серии ЖБ заборов
      • Лестницы железобетонные      
        • ГОСТы и Серии ЖБ лестниц
        • Элементы лестниц
      • Перемычки
      • Плиты перекрытий      
        • ГОСТы и Серии плит перекрытий
        • Типы плит перекрытий
      • Шахты лифтов      
        • ГОСТы и Серии лифтовых шахт
        • Типы лифтовых шахт
    • ЖБИ для инженерного строительства
      ЖБИ для инженерного строительства
      • Камеры тепловые      
        • Серии тепловых камер
        • Тип элемента камер
      • Камеры футерованные      
        • Типы футерованных камер
      • Каналы непроходные
      • Каналы сборные      
        • Серии
        • Типы
      • Колодцы кабельные      
        • Типы колодцев ККС
      • Колодцы футерованные      
        • Типы футерованных колодцев
      • Лотки лк      
        • Типоразмеры лотков
      • Трубы железобетонные      
        • ГОСТы и Серии ЖБ труб
        • Типы
      • Щитовые опоры      
        • Серии
    • ЖБИ для мостов, тоннелей и путепроводов
      ЖБИ для мостов, тоннелей и путепроводов
      • Балки мостовые      
        • Серии мостовых балок
        • Элементы балок
      • Коллекторы железобетонные      
        • Серии ЖБ коллекторов
        • Типы ЖБ коллекторов
      • Контурные блоки
      • Пустотные плиты      
        • Серии пустотных плит
      • Своды железобетонные      
        • Серии железобетонных сводов
        • Типы конструкций
      • Тоннели сборные      
        • Серии сборных тоннелей
        • Типы сборных тоннелей
      • Фермы железобетонные      
        • Типоразмеры ферм
        • Типы железобетонных ферм
    • ЖБИ для нефтегазового строительства
      ЖБИ для нефтегазового строительства
      • Сваи железобетонные      
        • ГОСТы и Серии
        • Типы
      • Столбики сигнальные
      • Утяжелители      
        • Типы утяжелителей
    • ЖБИ для промышленного строительства
      ЖБИ для промышленного строительства
      • Бомбоубежища      
        • ГОСТы бомбоубежищ
        • Типы бомбоубежищ
      • Диафрагмы жесткости      
        • Серии диафрагм жесткости
        • Типы диафрагм
      • Прогоны железобетонные      
        • Серии ЖБ прогонов
        • Типы ЖБ прогонов
      • Ригели железобетонные      
        • ГОСТы и Серии для ЖБ ригелей
        • Типы железобетонных ригелей
      • Столбы шпалерные (садовые)
      • Фундаментные блоки      
        • ГОСТы и Серии фундаментных блоков
        • Типы фундаментных блоков
    • ЖБИ для энергетического строительства
      ЖБИ для энергетического строительства
      • Анкерные плиты
      • Опоры лэп      
        • Серии опор ЛЭП
        • Типы опор ЛЭП
      • Подстанции      
        • Серии подстанций
        • Элементы подстанций
      • Приставки железобетонные      
        • ГОСТы и Серии ЖБ приставок
      • Ригели опор
      • Фундаменты опор      
        • Серии фундаментов опор
    • Нетиповые ЖБИ
      Нетиповые ЖБИ
      • Волнорезы      
        • Типы волнорезов
      • Плиты тротуарные      
        • ГОСТы и Серии
    Доставка
    Оплата
    Компания
    • О компании
    • История
    • ГОСТы
    • Сертификаты
    • Заказчики
    • Сотрудники
    • Вакансии
    • Реквизиты
    • Доставка В ЛНР и ДНР
    • Цены на ЖБИ
    Объекты
    Контакты
      Иркутск
      +7 (3952) 79-94-18
      Заказать звонок
      E-mail
      irkutsk@block-gbi.ru
      Адрес
      Ленинский округ, ул. Нефтебаза, 13а
      Режим работы
      Будни - с 9 до 18 Сб, ВС - выходные
      Подать заявку
      Завод железобетонных изделий
      Телефоны
      +7 (3952) 79-94-18
      Заказать звонок
      E-mail
      irkutsk@block-gbi.ru
      Адрес
      Ленинский округ, ул. Нефтебаза, 13а
      Режим работы
      Будни - с 9 до 18 Сб, ВС - выходные
      Завод железобетонных изделий
      • Иркутск
        • Города
        • Благовещенск
        • Владивосток
        • Донецк
        • Екатеринбург
        • Иркутск
        • Калининград
        • Краснодар
        • Красноярск
        • Мариуполь
        • Москва
        • Новосибирск
        • Омск
        • Санкт-Петербург
        • Севастополь
        • Симферополь
        • Тюмень
        • Хабаровск
        • Чита
      • Кабинет
      • Главная
      • Каталог
        • Каталог
        • ЖБИ для дорожного строительства
          • ЖБИ для дорожного строительства
          • Блоки укреплений
            • Блоки укреплений
            • Серии блоков
            • Типы блоков
          • Водопропускные трубы
            • Водопропускные трубы
            • Серия изготовления
            • Тип звеньев
          • Камни бортовые
            • Камни бортовые
            • Типы бортовых камней
          • Колодцы железобетонные
            • Колодцы железобетонные
            • Диаметры
            • Элементы
          • Лотки железобетонные
            • Лотки железобетонные
            • ГОСТы и Серии
            • Типы лотков ЖБИ
          • Плиты дорожные
            • Плиты дорожные
            • ГОСТы и Серии дорожных плит
            • Типы дорожных плит
        • ЖБИ для железнодорожного строительства
          • ЖБИ для железнодорожного строительства
          • Лотки дренажные
            • Лотки дренажные
            • Типы дренажных лотков
          • Фундаменты трехлучевые
            • Фундаменты трехлучевые
            • Серии фундаментов
            • Типы фундаментов
          • Шпалы железобетонные
        • ЖБИ для жилищного строительства
          • ЖБИ для жилищного строительства
          • Вентиляционные блоки
            • Вентиляционные блоки
            • ГОСТы вентиляционных блоков
            • Типы вентблоков
          • Заборы железобетонные
            • Заборы железобетонные
            • Вид забора ЖБИ
            • ГОСТы и Серии ЖБ заборов
          • Лестницы железобетонные
            • Лестницы железобетонные
            • ГОСТы и Серии ЖБ лестниц
            • Элементы лестниц
          • Перемычки
          • Плиты перекрытий
            • Плиты перекрытий
            • ГОСТы и Серии плит перекрытий
            • Типы плит перекрытий
          • Шахты лифтов
            • Шахты лифтов
            • ГОСТы и Серии лифтовых шахт
            • Типы лифтовых шахт
        • ЖБИ для инженерного строительства
          • ЖБИ для инженерного строительства
          • Камеры тепловые
            • Камеры тепловые
            • Серии тепловых камер
            • Тип элемента камер
          • Камеры футерованные
            • Камеры футерованные
            • Типы футерованных камер
          • Каналы непроходные
          • Каналы сборные
            • Каналы сборные
            • Серии
            • Типы
          • Колодцы кабельные
            • Колодцы кабельные
            • Типы колодцев ККС
          • Колодцы футерованные
            • Колодцы футерованные
            • Типы футерованных колодцев
          • Лотки лк
            • Лотки лк
            • Типоразмеры лотков
          • Трубы железобетонные
            • Трубы железобетонные
            • ГОСТы и Серии ЖБ труб
            • Типы
          • Щитовые опоры
            • Щитовые опоры
            • Серии
        • ЖБИ для мостов, тоннелей и путепроводов
          • ЖБИ для мостов, тоннелей и путепроводов
          • Балки мостовые
            • Балки мостовые
            • Серии мостовых балок
            • Элементы балок
          • Коллекторы железобетонные
            • Коллекторы железобетонные
            • Серии ЖБ коллекторов
            • Типы ЖБ коллекторов
          • Контурные блоки
          • Пустотные плиты
            • Пустотные плиты
            • Серии пустотных плит
          • Своды железобетонные
            • Своды железобетонные
            • Серии железобетонных сводов
            • Типы конструкций
          • Тоннели сборные
            • Тоннели сборные
            • Серии сборных тоннелей
            • Типы сборных тоннелей
          • Фермы железобетонные
            • Фермы железобетонные
            • Типоразмеры ферм
            • Типы железобетонных ферм
        • ЖБИ для нефтегазового строительства
          • ЖБИ для нефтегазового строительства
          • Сваи железобетонные
            • Сваи железобетонные
            • ГОСТы и Серии
            • Типы
          • Столбики сигнальные
          • Утяжелители
            • Утяжелители
            • Типы утяжелителей
        • ЖБИ для промышленного строительства
          • ЖБИ для промышленного строительства
          • Бомбоубежища
            • Бомбоубежища
            • ГОСТы бомбоубежищ
            • Типы бомбоубежищ
          • Диафрагмы жесткости
            • Диафрагмы жесткости
            • Серии диафрагм жесткости
            • Типы диафрагм
          • Прогоны железобетонные
            • Прогоны железобетонные
            • Серии ЖБ прогонов
            • Типы ЖБ прогонов
          • Ригели железобетонные
            • Ригели железобетонные
            • ГОСТы и Серии для ЖБ ригелей
            • Типы железобетонных ригелей
          • Столбы шпалерные (садовые)
          • Фундаментные блоки
            • Фундаментные блоки
            • ГОСТы и Серии фундаментных блоков
            • Типы фундаментных блоков
        • ЖБИ для энергетического строительства
          • ЖБИ для энергетического строительства
          • Анкерные плиты
          • Опоры лэп
            • Опоры лэп
            • Серии опор ЛЭП
            • Типы опор ЛЭП
          • Подстанции
            • Подстанции
            • Серии подстанций
            • Элементы подстанций
          • Приставки железобетонные
            • Приставки железобетонные
            • ГОСТы и Серии ЖБ приставок
          • Ригели опор
          • Фундаменты опор
            • Фундаменты опор
            • Серии фундаментов опор
        • Нетиповые ЖБИ
          • Нетиповые ЖБИ
          • Волнорезы
            • Волнорезы
            • Типы волнорезов
          • Плиты тротуарные
            • Плиты тротуарные
            • ГОСТы и Серии
      • Доставка
      • Оплата
      • Компания
        • Компания
        • О компании
        • История
        • ГОСТы
        • Сертификаты
        • Заказчики
        • Сотрудники
        • Вакансии
        • Реквизиты
        • Доставка В ЛНР и ДНР
        • Цены на ЖБИ
      • Объекты
      • Контакты
      Подать заявку
      • 0 Корзина
      • Калькулятор расчета количества машин для транспортировки изделия
      • +7 (3952) 79-94-18
        • Телефоны
        • +7 (3952) 79-94-18
        • Заказать звонок
      • Ленинский округ, ул. Нефтебаза, 13а
      • irkutsk@block-gbi.ru
      • Будни - с 9 до 18 Сб, ВС - выходные
      Главная
      —
      Продукция
      —
      ЖБИ для инженерного строительства
      —
      Лотки лк
      —
      Типоразмеры лотков
      —
      Лотки ЛКО
      —Лоток ЛКО 300.300.150-6

      Лоток ЛКО 300.300.150-6

      Лоток ЛКО 300.300.150-6
      118000 ₽
      Цена с НДС
      В наличие: много
      Добавить в заказ
      Купить в 1 клик
      Точное соотвествие ГОСТ.
      Лоток ЛКО 300.300.150-6
      Лоток ЛКО 300.300.150-6
      Лоток ЛКО 300.300.150-6
      Лоток ЛКО 300.300.150-6
      Лоток ЛКО 300.300.150-6
      Лоток ЛКО 300.300.150-6
      Лоток ЛКО 300.300.150-6
      Лоток ЛКО 300.300.150-6
      Лоток ЛКО 300.300.150-6
      Лоток ЛКО 300.300.150-6
      Лоток ЛКО 300.300.150-6
      Лоток ЛКО 300.300.150-6
      Лоток ЛКО 300.300.150-6
      Лоток ЛКО 300.300.150-6
      Лоток ЛКО 300.300.150-6
      Лоток ЛКО 300.300.150-6
      Лоток ЛКО 300.300.150-6
      Лоток ЛКО 300.300.150-6
      Лоток ЛКО 300.300.150-6
      Лоток ЛКО 300.300.150-6
      Лоток ЛКО 300.300.150-6
      Лоток ЛКО 300.300.150-6
      Лоток ЛКО 300.300.150-6
      Лоток ЛКО 300.300.150-6
      Лоток ЛКО 300.300.150-6
      Лоток ЛКО 300.300.150-6
      Лоток ЛКО 300.300.150-6
      Лоток ЛКО 300.300.150-6
      Лоток ЛКО 300.300.150-6
      Лоток ЛКО 300.300.150-6
      Лоток ЛКО 300.300.150-6
      Лоток ЛКО 300.300.150-6
      Лоток ЛКО 300.300.150-6
      Лоток ЛКО 300.300.150-6
      Лоток ЛКО 300.300.150-6
      Лоток ЛКО 300.300.150-6
      Лоток ЛКО 300.300.150-6
      Лоток ЛКО 300.300.150-6
      Лоток ЛКО 300.300.150-6
      Лоток ЛКО 300.300.150-6
      Характеристики
      ГОСТ/Серия
      —
      3.006.1-8.
      Длина, мм
      —
      2990
      Ширина, мм
      —
      2980
      Высота, мм
      —
      2980
      Масса, тонн
      —
      7.38
      Объем бетона, куб.м
      —
      2.95
      Все характеристики
      Цена указана на самовывоз. Итоговую стоимость с доставкой, уточняйте у менеджера
      Лоток ЛКО 300.300.150-6
      118000 ₽
      Цена с НДС
      В наличие: много
      Добавить в заказ
      Купить в 1 клик
      Точное соотвествие ГОСТ.
      • Описание
      • Характеристики
      • Как купить
      • Оплата
      • Доставка

      Лоток ЛКО 300.300.150-6 сборных каналов и тоннелей – это железобетонный высокопрочный элемент каналов и тоннелей внутри и вне различных зданий. Это железобетонное изделие представляет собой бетонную армированную скобу с П-образным поперечным сечением. Форма лотка лк обуславливается его защитной функцией, жидкости не могут покинуть своего русла, а трубопровод или иные коммуникации внутри незакрытого плитой лотка защищены с трех сторон.

      В компании ООО БЛОК можно заказать лотки ЛКО 300.300.150-6 сборных каналов и тоннелей, а так же проконсультироваться с нашими специалистами, подобрать требуемые железобетонные изделия. Купить лоток ЛКО 300.300.150-6 сборных каналов и тоннелей и проконсультироваться по общим вопросам покупки и доставки Вы можете позвонив по телефонам компании ГК БЛОК: Санкт-Петербург: (812) 309-22-09, Москва: (495) 646-38-32, Краснодар: (861) 279-36-00. Режим работы компании: Пн-Пт с 9-00 до 18-00. Компанией БЛОК осуществляется доставка лотков ЛКО 300.300.150-6 сборных каналов и тоннелей по всей России прямо до объекта заказчика или на строительную площадку, если позволяет инфраструктура. В нашем отделе продаж можно узнать заранее уточнить цену лотков ЛКО 300.300.150-6 сборных каналов и тоннелей и рассчитать общую стоимость заказа.

      Железобетонные лотки ЛКО 300.300.150-6 сборных каналов и тоннелей это основной элемент дренажного водоотвода. Железобетонные каналы на основе лотков лк используют в качестве водостоков для отвода и перехвата ливневых и дождевых вод от автодорог, жилых зон, автопарковок, пешеходных площадок и др. Также лотки широко применяются в гражданском, жилищном и индустриальном строительстве для создания герметичных каналов.

      Лотки ЛК отлично показали себя в строительстве дорог и сложных инженерных сооружениях. Через лотки возможен прямой пропуск жидкостей, что часто используется в цеховых каналах.

      Лоток ЛКО 300.300.150-6 сборных каналов и тоннелей является железобетонным элементом, через который прокладываются различные трубопроводы, теплотрассы, сети электрокабелей и электротехнических шин. НА конечном этапе сборки каналов лотки покрываются плитами перекрытия. Благодаря обширной номенклатуре и использованию высококачественных материалов лотки ЛК получили широкое распространение и используются в разнородных грунтовых условиях.

      Тоннели и каналы из железобетонных лотков прокладывают как в обычных грунтах, без грунтовых вод и сейсмических воздействий, на просадочных грунтах и при обилии грунтовых вод. Лотки ЛКО 300.300.150-6 сборных каналов и тоннелей повышенной прочности применяют в районах с сейсмичностью до 9 баллов включительно.

      Лотки, на конечном этапе монтажа, покрываются плитами перекрытия. Получается полностью упакованный канал инженерной коммуникации, обеспечивающий наилучшую защиту и изоляцию. Лотки ЛК выдерживают нагрузки от 3 до 15 тс/м2.

      регионах с повышенной сейсмической активностью особенно остро нуждаются в прочных трубопроводах из лотков ЛК. Даже при небольших толчках стальные трубы тепломагистралей, могут разорваться по сварочным швам. А сооружение теплотрассы железобетонными лотками способны выдерживать землетрясения силой до 9 баллов.

      Изготавливается лоток ЛКО 300.300.150-6 сборных каналов и тоннелей методом вибропрессования из тяжелых марок бетона плотностью 2400 кг/м3 класса на сжатие В 15. Армируется сварными сетками и каркасами из стали классов A-I и A-III, при этом бетонный защитный слой составляет не менее 15 мм.

      Современный бетон, используемый для заливки лотков ЛК, претерпел изменения своего состава и с помощью дополнительных компонентов он стал обладать еще большим запасом прочности, водостойкости и долговечности. Традиционно применяется бетон морозостойкостью F300, но состав бетона лотков зависит от индивидуальных требований проекта и может варьироваться. Водонепроницаемость – очень важное качество для бетона лотков, которое обеспечивает герметичность изделий. Бетона лотка по водонепроницаемости должен быть не ниже W4. Благодаря нестандартному составу бетона канал на долгий срок сохраняет тепло и сухость, защищая как саму трубу, так и ее изоляцию. Внутри лотка ЛКО 300.300.150-6 сборных каналов и тоннелей создается, своего рода, воздушная подушка, которая является естественным термоизолятором и помогает смягчать температурные перепады.

      За счет своей монолитности лоток ЛКО 300.300.150-6 сборных каналов и тоннелей имеет достаточно большую массу, его монтаж проводится специальным оборудованием за петли, заложенные в конструкцию жб изделия. Закладные детали лотков ЛК служат для крепления кабелей, трубопроводов и других коммуникаций. Прямоугольные лотки ЛК также предварительно защищаются от агрессивного химического воздействия сред и грунтовых вод, предотвращая преждевременную коррозию.

      Каналы, монтируемые из сборных железобетонных элементов ЛК, сооружаются в ставнительно короткие сроки и отличаются эксплуатационной практичностью и долговечностью. Собранные из лотков ЛК и плит коммуникационные каналы намного удобнее других для проведения плановых осмотров и ремонтов труб.  Минимальная сложность работ при разборе такой теплотрассы – она раскапывается, плиты-крышки лотков снимаются, и трубы при необходимости заменяются. При этом сами железобетонные лотки остаются на месте и вместе с плитами продолжают эксплуатироваться еще долгое время.

      В стандартной конструкции лотка ЛКО 300.300.150-6 сборных каналов и тоннелей отсутствуют проемы для стыкования с узлами трасс.

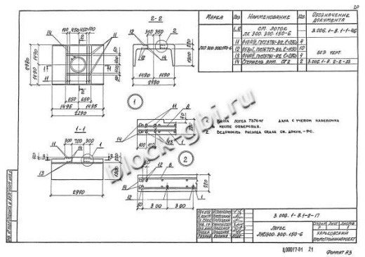
      Маркировка лотков ЛКО 300.300.150-6 сборных каналов и тоннелей

      Условное обозначение изделия принято как комбинация цифр и букв. Буквами в начале обозначают тип изделия, затем  габаритный размер лотка: длину, ширину и высоту в сантиметрах. Дополнительные закладные жб изделия обозначаются буквой «а».

      Маркировка лотка ЛКО 300.300.150-6 сборных каналов и тоннелей:

      • ЛК – тип элемента – лоток;
      • Цифра – длина лотка;
      • Цифра – ширина лотка;
      • Цифра – высота лотка;
      • Цифра – расчетная вертикальная нагрузка в тс/м2;
      • а – наличие дополнительных закладных изделий.

      На боковой грани лотка ЛКО 300.300.150-6 сборных каналов и тоннелей обязательно указывают маркировочные знаки, а также дату выпуска и массу изделия.

      Применение лотков ЛКО 300.300.150-6 сборных каналов и тоннелей

      Железобетонные конструкции из лотков делятся на два типа:  каналы – высотой до 1500 и тоннели – высотой выше 1800 мм. Лотки применяют в односекционных и многосекционных каналах, т.е. параллельно устанавливаемых лотках ЛК. Такие каналы устраивают в цехах с минимальным погружением от уровня пола до верха перекрытия 0,3 м.

      Лотки ЛКО 300.300.150-6 сборных каналов и тоннелей также могут быть предназначены для опирания на плиты или перекрывания плоскими съемными плитами. Это обусловлено типоразмерами жб изделия и его конструкцией – нижней или верхней. Некоторые виды каналов создаются соединением верхних элементов лотка с нижними, укладыванием друг на друга с помощью коротышей из швеллеров, закладываемых в продольные швы.

      После соединения лотков ЛК их швы закладываются раствором или мастикой, а после гидроизолируются. Без грунтовых вод лотки ЛКО 300.300.150-6 сборных каналов и тоннелей укладываются на 10-сантиметровой толщины песчаное основание с небольшим уклоном (0,002) для отвода случайных вод. Подъем лотков ЛК производится за монтажные петли или строповочные отверстия. За петли поднимаю изделия, устанавливаемые плитой вверх, отверстия используют при укладке лотка ЛК плитой вниз. Прямоугольные лотки ЛК могут применяться как основа для небольших тоннелей и пешеходных переходов в несейсмических районах.

      Контроль качества производства лотков ЛКО 300.300.150-6 сборных каналов и тоннелей

      Путем первичного сплошного осмотра оценивают фактическое состояние бетона лотка и отбраковывают изделия имеющие серьезные дефекты: обнажения рабочей арматуры или глубокие трещины. Канал или тоннель, как и сам лоток ЛК, не должен иметь трещин для создания прочных подземных коридоров. Возможны только усадочные трещины шириной не более 0,3 мм.

      Каждый лоток ЛКО 300.300.150-6 сборных каналов и тоннелей должен соответствовать своим проектным размерам. Длина и ширина элемента каналов может быть сверх расчетной на 10 мм, а высота на 7 мм.

      Чтобы стыковка лотка ЛК и ее плиты перекрытия была лучше, должна соблюдаться прямолинейность профиля, т.е. допустимые отклонения не более 8-10 мм по всей поверхности изделия. Защитный слой бетона должен иметь равномерную толщину и не отклоняться от нормы более чем на 5 мм.

      Вес лотка ЛКО 300.300.150-6 сборных каналов и тоннелей может отклонятся в пределах 7%. Сварные каркасы и сетки ни в коем случае не должны быть обнажены. Закладные изделия лотка ЛК должны быть обязательно обработаны антикоррозийным составом. Раковины, наплывы и впадины в бетоне поверхности железобетонных лотков ЛК не должны быть более 3-6 мм в диаметре.

      На приемо-сдаточных испытаниях контролируют следующие параметры лотков ЛК:

      • прочность бетона (класс бетона по прочности на сжатие, отпускная прочность);
      • соответствие арматурных и закладных изделий;
      • качество сварных соединений;
      • толщина защитного слоя бетона до арматуры;
      • точность габаритных размеров;

      Партию лотков ЛК должен сопровождать технический паспорт, в котором указывается:

      • марку бетона по прочности и его среднюю плотность;
      • отпускную прочность бетона и фактическую отпускную плотность бетона;
      • марку бетона по морозостойкости и водонепроницаемости;
      Характеристики
      ГОСТ/Серия
      3.006.1-8.
      Длина, мм
      2990
      Ширина, мм
      2980
      Высота, мм
      2980
      Масса, тонн
      7.38
      Объем бетона, куб.м
      2.95
      Класс бетона
      В25
      Геометрический объем, м.куб
      Серия 3.006.1-8

      Как купить

      Процесс покупки железобетонных изделий у нас прост и удобен. Следуйте этим шагам:

      1. Выбор продукции: Ознакомьтесь с нашим ассортиментом и выберите необходимые железобетонные изделия.
      2. Консультация: Свяжитесь с нашим менеджером для получения консультации по выбору продукции и уточнения всех деталей. Вы можете позвонить нам или написать на электронную почту.
      3. Оформление заказа: После согласования всех деталей оформите заказ. Менеджер поможет вам заполнить все необходимые документы.
      4. Согласование доставки: После оформления заказа наш менеджер свяжется с вами для согласования условий и сроков доставки.
      5. Оплата: Выберите удобный способ оплаты. Мы предлагаем несколько вариантов, включая безналичный расчет.
      6. Получение товара: После выполнения всех условий заказа, вы получите железобетонные изделия в назначенное время и по согласованному адресу. При получении подпишите акт приема-передачи.

      Если у вас возникли вопросы на любом этапе покупки, не стесняйтесь обращаться к нашим менеджерам!

      Оплата

      Мы принимаем только безналичные платежи и работаем исключительно с юридическими лицами. Пожалуйста, ознакомьтесь с условиями оплаты ниже:

      1. Способ оплаты: Все расчеты производятся безналичным путем. Мы не принимаем наличные.
      2. Счет на оплату: После оформления заказа вам будет выставлен счет, который необходимо оплатить в срок, указанный в документе.
      3. Реквизиты: Все необходимые банковские реквизиты будут предоставлены в счете. Убедитесь, что все данные указаны правильно для успешного перевода.
      4. Подтверждение оплаты: После осуществления платежа отправьте нам подтверждение, чтобы мы могли оперативно обработать ваш заказ.
      5. Получение документов: После полной оплаты вы получите все необходимые документы, включая акт выполненных работ, товарные накладные и сертификаты на продукцию.

      Мы работаем с НДС и предоставляем все необходимые сертификаты и документы. Все гарантии будут прописаны в договоре, что обеспечивает прозрачность и надежность сотрудничества.

      Если у вас есть вопросы по поводу процесса оплаты, не стесняйтесь обращаться к нашим менеджерам за помощью!

      Наша оперативность — ваше удобство. Мы гарантируем своевременную доставку железобетонных изделий, что является ключевым фактором для успешной реализации ваших строительных проектов. Доставка осуществляется прямо к вашему объекту с учетом всех стандартов качества.

      Основные условия доставки:
      • Выбор тарифа: Вы можете выбрать способ расчета стоимости доставки — почасовой или по зонам.
      • Согласование: Менеджер свяжется с вами для уточнения деталей после оформления заказа.
      • Время на погрузку: Комплектация товара занимает от 1 до 3 дней в зависимости от объема.
      • Акт приема-передачи: Продукция передается по акту приема-передачи.

      Тарифы на доставку:
      Цены варьируются в зависимости от расстояния и региона. Все тарифы включают НДС. При неблагоприятных погодных условиях возможны небольшие изменения в стоимости.

      География доставки:
      Мы работаем по всей территории РФ и имеем 12 офисов и производств, чтобы обеспечить удобные условия для доставки.

      Для точного расчета стоимости доставки обращайтесь к нашим менеджерам!

      Назад к списку
      Каталог
      Доставка
      Компания
      Контакты
      Подписаться на рассылку
      +7 (3952) 79-94-18
      +7 (3952) 79-94-18
      Заказать звонок
      E-mail
      irkutsk@block-gbi.ru
      Адрес
      Ленинский округ, ул. Нефтебаза, 13а
      Режим работы
      Будни - с 9 до 18 Сб, ВС - выходные
      Заказать звонок
      irkutsk@block-gbi.ru
      Ленинский округ, ул. Нефтебаза, 13а
      © 2025 Производство и поставки железобетонных изделий. ООО «СК «Блок» ИНН 7842359185 / КПП 772601001

      Обращаем ваше внимание на то, что данный интернет-сайт, а также вся информация о товарах и ценах, предоставленная на нём, носит исключительно информационный характер и ни при каких условиях не является публичной офертой, определяемой положениями Статьи 437 Гражданского кодекса Российской Федерации. Для получения подробной информации о наличии и стоимости указанных товаров и (или) услуг, пожалуйста, обращайтесь к менеджеру сайта с помощью специальной формы связи или по телефону

      Политика конфиденциальности
      Карта сайта
      0

      Корзина

      Очистить корзину

      Ваша корзина пуста

      Исправить это просто: выберите в каталоге интересующий товар и нажмите кнопку «В корзину»
      В каталог
      Главная 0 Корзина Каталог Калькулятор Поиск Регион Кабинет Контакты