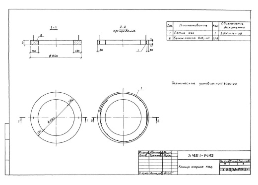
Кольцо опорное КО 6
Кольцо опорное КО 6 – это железобетонное изделие, предназначенное для обустройства круглых колодцев различного назначения (канализационных, водопроводных, дренажных). Изготовление КО 6 регламентируется ГОСТ 8020-2016 "Конструкции бетонные и железобетонные для колодцев и трубопроводов".
Используется при строительстве смотровых, канализационных, водопроводных и дренажных колодцев различного назначения. Оно устанавливается в основании конструкции и обеспечивает равномерное распределение нагрузки на грунт. Железобетонное кольцо КО 6 соответствует требованиям ГОСТ 8020-2016 и применяется в системах инженерной инфраструктуры: водоотведения, теплоснабжения, кабельных коммуникаций и ливневой канализации. Изделие востребовано на объектах городской и промышленной застройки — от частных участков до крупных магистральных сетей.
Конструкция и преимущества
КО 6 производится из прочного бетона класса не ниже B15 и армируется стальной сеткой. Это гарантирует надежность, устойчивость к внешним нагрузкам и перепадам температур. Конструкция не деформируется в процессе эксплуатации и легко переносит сезонные подвижки грунта. Благодаря своей компактности и продуманной форме кольцо удобно в транспортировке, выгрузке и монтаже. При необходимости можно установить дополнительные элементы: стеновые кольца, плиты перекрытия, люки. Все изделия проходят строгий контроль на соответствие размерам, прочности, целостности бетона и качеству армирования.
Производство и заказ
Компания «Блок-ЖБИ» изготавливает опорные кольца КО 6 с соблюдением всех технологических норм. Мы предлагаем продукцию с официальной сертификацией, документами по ГОСТ, быстрой отгрузкой и возможностью доставки на объект. Наши специалисты помогут рассчитать нужный объем и оформить заказ. Вы можете купить кольцо КО 6 напрямую от производителя — быстро, удобно и с гарантией качества.
Консультация и помощь
Остались вопросы? Обратитесь к нашим менеджерам — поможем подобрать нужное железобетонное изделие и проконсультируем по условиям поставки.Смотрите также:
| Варианты написания товара |
|---|
| Опорное кольцо КО 6 |
| Кольцо опорное КО 6 |
| КО 6 опорное кольцо |
| Опорное кольцо КО 6 |
| Опорное кольцо КО 6 |
| Опорное футерованное кольцо КО 6-фут |
| Кольцо футерованное КО 6 |
| КО 6 кольцо |
| Опорное кольцо 6 |
| Кольцо КО 6 |
| КО 6 опорное кольцо |
| Опорное кольцо КО 6 |
| Кольцо КО 6 |
| Опорное кольцо КО6 |
| КО-6 кольцо |
| КО_6 кольцо опорное |
| КО 6 опорное кольцо |
| Опорное кольцо КО-6 |
| КО6 |
| Опорное кольцо КО.6 |
| Кольцо КО.6 |
| КО.6 опорное кольцо |
| Опорное кольцо КО.6 |
| КО.6 кольцо |
| Опорное кольцо КО.6 |
| Кольцо КО.6 |
| КО.6 |
|
ГОСТ/Серия
|
ГОСТ 8020-2016 |
|
Длина, мм
|
840 |
|
Ширина, мм
|
840 |
|
Высота, мм
|
70 |
|
Масса, тонн
|
0.05 |
|
Объем бетона, куб.м
|
0.02 |
|
Класс бетона
|
В15 |
|
Геометрический объем, м.куб
|
1.1 |
|
Сталь, кг
|
Сетка С65 |
|
Закладная 1
|
1 |
Как купить
Процесс покупки железобетонных изделий у нас прост и удобен. Следуйте этим шагам:
- Выбор продукции: Ознакомьтесь с нашим ассортиментом и выберите необходимые железобетонные изделия.
- Консультация: Свяжитесь с нашим менеджером для получения консультации по выбору продукции и уточнения всех деталей. Вы можете позвонить нам или написать на электронную почту.
- Оформление заказа: После согласования всех деталей оформите заказ. Менеджер поможет вам заполнить все необходимые документы.
- Согласование доставки: После оформления заказа наш менеджер свяжется с вами для согласования условий и сроков доставки.
- Оплата: Выберите удобный способ оплаты. Мы предлагаем несколько вариантов, включая безналичный расчет.
- Получение товара: После выполнения всех условий заказа, вы получите железобетонные изделия в назначенное время и по согласованному адресу. При получении подпишите акт приема-передачи.
Если у вас возникли вопросы на любом этапе покупки, не стесняйтесь обращаться к нашим менеджерам!
Оплата
Мы принимаем только безналичные платежи и работаем исключительно с юридическими лицами. Пожалуйста, ознакомьтесь с условиями оплаты ниже:
- Способ оплаты: Все расчеты производятся безналичным путем. Мы не принимаем наличные.
- Счет на оплату: После оформления заказа вам будет выставлен счет, который необходимо оплатить в срок, указанный в документе.
- Реквизиты: Все необходимые банковские реквизиты будут предоставлены в счете. Убедитесь, что все данные указаны правильно для успешного перевода.
- Подтверждение оплаты: После осуществления платежа отправьте нам подтверждение, чтобы мы могли оперативно обработать ваш заказ.
- Получение документов: После полной оплаты вы получите все необходимые документы, включая акт выполненных работ, товарные накладные и сертификаты на продукцию.
Мы работаем с НДС и предоставляем все необходимые сертификаты и документы. Все гарантии будут прописаны в договоре, что обеспечивает прозрачность и надежность сотрудничества.
Если у вас есть вопросы по поводу процесса оплаты, не стесняйтесь обращаться к нашим менеджерам за помощью!
Наша оперативность — ваше удобство. Мы гарантируем своевременную доставку железобетонных изделий, что является ключевым фактором для успешной реализации ваших строительных проектов. Доставка осуществляется прямо к вашему объекту с учетом всех стандартов качества.
Основные условия доставки:
• Выбор тарифа: Вы можете выбрать способ расчета стоимости доставки — почасовой или по зонам.
• Согласование: Менеджер свяжется с вами для уточнения деталей после оформления заказа.
• Время на погрузку: Комплектация товара занимает от 1 до 3 дней в зависимости от объема.
• Акт приема-передачи: Продукция передается по акту приема-передачи.
Тарифы на доставку:
Цены варьируются в зависимости от расстояния и региона. Все тарифы включают НДС. При неблагоприятных погодных условиях возможны небольшие изменения в стоимости.
География доставки:
Мы работаем по всей территории РФ и имеем 12 офисов и производств, чтобы обеспечить удобные условия для доставки.
Для точного расчета стоимости доставки обращайтесь к нашим менеджерам!

