Описание опорной подушки ОП-5
Опорная подушка железобетонная (ОП-5) Серия 3.006.1-2.87 применяется для устройства опор под колонны, балки и другие несущие элементы конструкций в промышленных и гражданских зданиях. Изделие изготавливается из высокопрочного бетона с армированием стальной арматурой, что обеспечивает его прочность, устойчивость к нагрузкам и долговечность.
Применение опорной подушки ОП-5
Опорная подушка ОП-5 используется как элемент для устройства фундаментов под колонны, балки и другие несущие элементы конструкций в рамках жилых, промышленных и гражданских зданий. Она служит важной частью системы, обеспечивающей равномерное распределение нагрузки, защиту от деформаций и долговечность конструкций. Для монтажа могут применяться дополнительные элементы: раствор, закладные детали и другие комплектующие.
Типы опорных подушек
Железобетонные опорные подушки подразделяются на несколько типов в зависимости от размеров и назначения:
- ОП: опорная подушка;
- ФЛ: фундаментная лента;
- ФБС: фундаментный блок сплошной;
- ФК: фундамент под колонну.
Размеры зависят от типа: длина 650–1200 мм, ширина 550–800 мм, высота 140–300 мм.
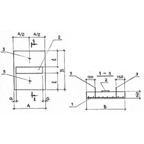
Основные параметры, размеры и характеристики
- Длина L, мм: 650
- Ширина b, мм: 550
- Высота h, мм: 140
- Масса, тонн: 0,05
- Объем бетона, м³: 0,130
- Класс бетона: B15 (марка М200)
Дополнительные характеристики
- Марка по морозостойкости: F150–F200
- Марка по водонепроницаемости: W4–W6
- Технология изготовления: вибропрессование или формование с использованием высокопрочного бетона.
Нормы загрузки
- Норма загрузки в автотранспорт 20 т, шт: 400
Документы
- Нормативный документ: Серия 3.006.1-2.87
Расшифровка маркировки ОП-5
Маркировка "ОП-5" содержит следующую информацию:
- ОП – опорная подушка;
- 5 – порядковый номер конструктивного исполнения.
Условия транспортировки и хранения
Опорные подушки ОП-5 перевозятся автомобильным или железнодорожным транспортом с использованием специальных захватных устройств (строп). Хранение осуществляется на ровных площадках с твердым покрытием. Подушки устанавливаются горизонтально в штабель высотой не более 2,5 м. Для предотвращения повреждений между изделиями устанавливаются деревянные прокладки.
Контроль качества опорной подушки ОП-5
Каждая опорная подушка ОП-5 проходит многоступенчатый контроль качества в соответствии с Серия 3.006.1-2.87. Проверяются:
- прочность бетона (не ниже класса B15);
- соответствие геометрических размеров проектным данным;
- качество армирования (наличие арматурного каркаса, толщина защитного слоя бетона);
- морозостойкость и водонепроницаемость бетона;
- точность расположения закладных элементов;
- отсутствие трещин, сколов и других дефектов.
Заключение
Опорная подушка ОП-5 – надежный и долговечный элемент для устройства фундаментов под колонны, балки и другие несущие элементы конструкций. Благодаря строгому соблюдению требований Серия 3.006.1-2.87 и использованию качественных материалов, она обеспечивает прочность, устойчивость и долговечность конструкций. Для заказа качественных железобетонных подушек обращайтесь к производителям с сертификатами соответствия и опытом работы в сфере ЖБИ.
Смотрите также:
| Варианты написания товара |
|---|
| Опорная подушка ОП-5 |
| ОП-5 опорная подушка |
| Опорная подушка ОП5 |
| ОП5 опорная подушка |
| ОП-5 |
| ОП5 |
| Опорная подушка ОП-5 Серия 3.006.1-2.87 |
| ОП-5 Серия 3.006.1-2.87 |
| ОП5 Серия 3.006.1-2.87 |
|
ГОСТ/Серия
|
3.006.1-2.87 |
|
Длина, мм
|
650 |
|
Ширина, мм
|
550 |
|
Высота, мм
|
140 |
|
Масса, тонн
|
0.05 |
|
Объем бетона, куб.м
|
0.130 |
|
Класс бетона
|
В15 |
Как купить
Процесс покупки железобетонных изделий у нас прост и удобен. Следуйте этим шагам:
- Выбор продукции: Ознакомьтесь с нашим ассортиментом и выберите необходимые железобетонные изделия.
- Консультация: Свяжитесь с нашим менеджером для получения консультации по выбору продукции и уточнения всех деталей. Вы можете позвонить нам или написать на электронную почту.
- Оформление заказа: После согласования всех деталей оформите заказ. Менеджер поможет вам заполнить все необходимые документы.
- Согласование доставки: После оформления заказа наш менеджер свяжется с вами для согласования условий и сроков доставки.
- Оплата: Выберите удобный способ оплаты. Мы предлагаем несколько вариантов, включая безналичный расчет.
- Получение товара: После выполнения всех условий заказа, вы получите железобетонные изделия в назначенное время и по согласованному адресу. При получении подпишите акт приема-передачи.
Если у вас возникли вопросы на любом этапе покупки, не стесняйтесь обращаться к нашим менеджерам!
Оплата
Мы принимаем только безналичные платежи и работаем исключительно с юридическими лицами. Пожалуйста, ознакомьтесь с условиями оплаты ниже:
- Способ оплаты: Все расчеты производятся безналичным путем. Мы не принимаем наличные.
- Счет на оплату: После оформления заказа вам будет выставлен счет, который необходимо оплатить в срок, указанный в документе.
- Реквизиты: Все необходимые банковские реквизиты будут предоставлены в счете. Убедитесь, что все данные указаны правильно для успешного перевода.
- Подтверждение оплаты: После осуществления платежа отправьте нам подтверждение, чтобы мы могли оперативно обработать ваш заказ.
- Получение документов: После полной оплаты вы получите все необходимые документы, включая акт выполненных работ, товарные накладные и сертификаты на продукцию.
Мы работаем с НДС и предоставляем все необходимые сертификаты и документы. Все гарантии будут прописаны в договоре, что обеспечивает прозрачность и надежность сотрудничества.
Если у вас есть вопросы по поводу процесса оплаты, не стесняйтесь обращаться к нашим менеджерам за помощью!
Наша оперативность — ваше удобство. Мы гарантируем своевременную доставку железобетонных изделий, что является ключевым фактором для успешной реализации ваших строительных проектов. Доставка осуществляется прямо к вашему объекту с учетом всех стандартов качества.
Основные условия доставки:
• Выбор тарифа: Вы можете выбрать способ расчета стоимости доставки — почасовой или по зонам.
• Согласование: Менеджер свяжется с вами для уточнения деталей после оформления заказа.
• Время на погрузку: Комплектация товара занимает от 1 до 3 дней в зависимости от объема.
• Акт приема-передачи: Продукция передается по акту приема-передачи.
Тарифы на доставку:
Цены варьируются в зависимости от расстояния и региона. Все тарифы включают НДС. При неблагоприятных погодных условиях возможны небольшие изменения в стоимости.
География доставки:
Мы работаем по всей территории РФ и имеем 12 офисов и производств, чтобы обеспечить удобные условия для доставки.
Для точного расчета стоимости доставки обращайтесь к нашим менеджерам!

