Описание плиты перекрытия П 8-8-27
Плита перекрытия (П 8-8-27) применяется для устройства перекрытий в зданиях и сооружениях различного назначения, таких как жилые дома, промышленные объекты, складские помещения и другие. Изделие изготавливается компанией ГК "БЛОК", которая специализируется на производстве и поставке железобетонных изделий в Москве, с использованием высокопрочного бетона и армирования стальной арматурой, что обеспечивает её прочность, устойчивость к нагрузкам и долговечность.
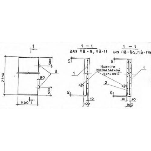
Нормативный документ: Серия 3.006.1-2.87.
Применение плиты перекрытия П 8-8-27
Плита перекрытия П 8-8-27 используется для создания надёжных конструкций перекрытий, обеспечивающих безопасность, функциональность и долговечность объектов. Она служит важной частью системы, воспринимающей эксплуатационные нагрузки и передающей их на несущие элементы здания. Для монтажа могут применяться дополнительные элементы: раствор, закладные детали и другие комплектующие.
Типы плит перекрытия
Железобетонные плиты перекрытия подразделяются на несколько типов в зависимости от назначения и конструкции:
- П: плита;
- ПД: плита доборная;
- ПУ: плита усиленная;
- ПК: плита круглопустотная.
Размеры зависят от типа: длина 2660–2700 мм, ширина 1160–1200 мм, высота 100–110 мм.
Основные параметры, размеры и характеристики
- Длина L, мм: 2660
- Ширина b, мм: 1160
- Высота h, мм: 100
- Масса, тонн: 0.875
- Объем бетона, м³: 0.35
Дополнительные характеристики
- Класс бетона: B15–B25 (марка М200–М350);
- Марка по морозостойкости: F150–F200;
- Марка по водонепроницаемости: W4–W6;
- Технология изготовления: формование с использованием высокопрочного бетона.
Нормы загрузки
- Норма загрузки в автотранспорт 20 т, шт: 22
Расшифровка маркировки П 8-8-27
Маркировка "П 8-8-27" содержит следующую информацию:
- П – плита;
- 8 – условная длина изделия в дециметрах (2660 мм);
- 8 – условная ширина изделия в дециметрах (1160 мм);
- 27 – вариант исполнения или расчетная нагрузка.
Условия транспортировки и хранения
Плиты перекрытия П 8-8-27 перевозятся автомобильным или железнодорожным транспортом с использованием специальных захватных устройств (строп). Хранение осуществляется на ровных площадках с твердым покрытием. Плиты устанавливаются горизонтально в штабель высотой не более 2,5 м. Для предотвращения повреждений между изделиями устанавливаются деревянные прокладки.
Контроль качества плиты перекрытия П 8-8-27
Каждая плита перекрытия П 8-8-27 проходит многоступенчатый контроль качества. Проверяются:
- прочность бетона (не ниже класса B15);
- соответствие геометрических размеров проектным данным;
- морозостойкость и водонепроницаемость бетона;
- точность расположения закладных элементов;
- отсутствие трещин, сколов и других дефектов.
Заключение
Плита перекрытия П 8-8-27 – это надежный и долговечный элемент для устройства перекрытий. Благодаря использованию качественных материалов и современных технологий производства, она обеспечивает прочность, устойчивость и долговечность конструкций. Для заказа качественных железобетонных изделий обращайтесь к профессионалам своего дела – компании ГК "БЛОК".
Смотрите также:
| Варианты написания товара |
|---|
| Плита перекрытия П 8-8-27 |
| П 8-8-27 плита перекрытия |
| Плита перекрытия П 8-8-27 Серия 3.006.1-2.87 |
| П 8-8-27 Серия 3.006.1-2.87 |
| П 8-8-27 |
| Плита перекрытия П 8-8-27 ГОСТ |
| П 8-8-27 ГОСТ |
Как купить
Процесс покупки железобетонных изделий у нас прост и удобен. Следуйте этим шагам:
- Выбор продукции: Ознакомьтесь с нашим ассортиментом и выберите необходимые железобетонные изделия.
- Консультация: Свяжитесь с нашим менеджером для получения консультации по выбору продукции и уточнения всех деталей. Вы можете позвонить нам или написать на электронную почту.
- Оформление заказа: После согласования всех деталей оформите заказ. Менеджер поможет вам заполнить все необходимые документы.
- Согласование доставки: После оформления заказа наш менеджер свяжется с вами для согласования условий и сроков доставки.
- Оплата: Выберите удобный способ оплаты. Мы предлагаем несколько вариантов, включая безналичный расчет.
- Получение товара: После выполнения всех условий заказа, вы получите железобетонные изделия в назначенное время и по согласованному адресу. При получении подпишите акт приема-передачи.
Если у вас возникли вопросы на любом этапе покупки, не стесняйтесь обращаться к нашим менеджерам!
Оплата
Мы принимаем только безналичные платежи и работаем исключительно с юридическими лицами. Пожалуйста, ознакомьтесь с условиями оплаты ниже:
- Способ оплаты: Все расчеты производятся безналичным путем. Мы не принимаем наличные.
- Счет на оплату: После оформления заказа вам будет выставлен счет, который необходимо оплатить в срок, указанный в документе.
- Реквизиты: Все необходимые банковские реквизиты будут предоставлены в счете. Убедитесь, что все данные указаны правильно для успешного перевода.
- Подтверждение оплаты: После осуществления платежа отправьте нам подтверждение, чтобы мы могли оперативно обработать ваш заказ.
- Получение документов: После полной оплаты вы получите все необходимые документы, включая акт выполненных работ, товарные накладные и сертификаты на продукцию.
Мы работаем с НДС и предоставляем все необходимые сертификаты и документы. Все гарантии будут прописаны в договоре, что обеспечивает прозрачность и надежность сотрудничества.
Если у вас есть вопросы по поводу процесса оплаты, не стесняйтесь обращаться к нашим менеджерам за помощью!
Наша оперативность — ваше удобство. Мы гарантируем своевременную доставку железобетонных изделий, что является ключевым фактором для успешной реализации ваших строительных проектов. Доставка осуществляется прямо к вашему объекту с учетом всех стандартов качества.
Основные условия доставки:
• Выбор тарифа: Вы можете выбрать способ расчета стоимости доставки — почасовой или по зонам.
• Согласование: Менеджер свяжется с вами для уточнения деталей после оформления заказа.
• Время на погрузку: Комплектация товара занимает от 1 до 3 дней в зависимости от объема.
• Акт приема-передачи: Продукция передается по акту приема-передачи.
Тарифы на доставку:
Цены варьируются в зависимости от расстояния и региона. Все тарифы включают НДС. При неблагоприятных погодных условиях возможны небольшие изменения в стоимости.
География доставки:
Мы работаем по всей территории РФ и имеем 12 офисов и производств, чтобы обеспечить удобные условия для доставки.
Для точного расчета стоимости доставки обращайтесь к нашим менеджерам!

